|
华巨电阻是生产PTC热敏电阻厂家,本文主要介绍了ptc热敏电阻PTC,ptc热敏电阻原理,ptc热敏陶瓷,热敏电阻,热敏电阻的作用,ptc热敏电阻用途,ptc热敏电阻参数,ptc热敏电阻型号,ptc热敏电阻参数,ptc热敏电阻应用,ptc热敏电阻规格,ptc热敏电阻型号,ptc热敏电阻生产厂家,ptc热敏电阻器,ptc热敏电阻价格,ptc热敏电阻厂家,ptc热敏电阻参数选择,ptc热敏电阻原理,ptc热敏电阻型号,ptc热敏电阻阻值
概述:
热敏电阻器按其电阻-温度特性可分为正温度系数热敏电阻器(PTCR)及负温度系数热敏电阻器(NTCR)。PTC是Positive
Temperature Coefficient的缩写,为正温度系数的意思。NTC是Negative
Temperature Coefficient
的缩写,为负温度系数的意思。其中正温度系数热敏电阻器(PTCR)包括:突变型(阶跃型)PTC热敏电阻器及缓变型(线性)PTC热敏电阻器两种。其突变型(阶跃型)PTC热敏电阻器又细分两类,一类为陶瓷PTC热敏电阻器(CPTC),在BaTiO3,V2O5,,BN等材料中掺入半导化元素后都可发现PTC效应。目前得到广泛应用的是BaTiO3系PTC热敏电阻器;第二类是有机高分子PTC热敏电阻器(PPTC),在聚乙烯高分子材料中掺入碳黑形成PTC效应。这里介绍的是BaTiO3系PTC热敏电阻器,属于典型的直热式阶跃型正温度系数热敏电阻器,当温度增加到居里温度以上时,其电阻值呈阶跃式增加,可达到4~10个数量级。温度的变化可以由流过热敏电阻的电流来获得,也可以由外界输入热能或者这二者的迭加来获得。基于以上特性PTC在电路中可以用作过流保护,过热保护,温度测量,温度补偿,延时启动,消磁等因此在电路中有着广泛的应用。
PTC热敏电阻器的应用及优点:
1、作为加热用的陶瓷PTC元件,具有自动恒温的特性,可省去一套温控线路; 2、作为开关用的陶瓷PTC元件,具有过流、过热保护功能,避免电器设备损坏,结构简单、可靠; 3、作为温度保护用的陶瓷PTC元件,在温控点附近有很大的电阻温度系数,配置一个简单的比较器电路可实现较精确的温度控制;
4、开关温度调整范围大:-40℃~320℃; 5、电阻温度系数高:最高超过40%/℃; 6、电阻值范围大:0.1Ω~20kΩ 7、工作电压范围大:3V~1000V
PTC热敏电阻器三大特性:
BaTiO3陶瓷是一种典型的铁电材料,常温下其电阻率大于1012Ω.cm,相对介电常数高达104,是一种优良的陶瓷电容器材料。在这种材料中引入稀土元素如Y、Nb等,可使其电阻率下降到10Ω.cm以下,成为具有很大的正温度系数的半导体陶瓷材料,在居里温度以上几十度的温度范围内,其电阻率可增大4-10个数量级,产生PTC效应。这种效应是一种晶界效应,只有多晶陶瓷材料才具有。正是由于这种PTC效应,PTC热敏电阻器得到了极其广泛的应用。根据应用领域划分,PTC热敏电阻器有三大特性:
电阻-温度特性;伏安特性;电流时间特性。
● 电阻--温度特性(R--T特性): 指的是在规定电压下,PTC热敏电阻器的零功率电阻值与电阻本体温度之间的关系(如下图所示)。

●电压--电流特性(V—I特性): 指加在热敏电阻器引出端的电压与达到热平衡的稳态条件下的电流之间的关系(如下图所示)。

●电流—时间特性(I—T特性):
指热敏电阻器在施加电压过程中,电流随时间的变化特性。开始加电压瞬间的电流称为起始电流,平衡时的电流称为残余电流(如下图所示)。

▇ PTC的失效模式
●衡量PTC热敏电阻器可靠性有两个主要指标:
A.耐电压能力----超过规定的电压可导致PTC热敏电阻器短路击穿,施加高电压可淘汰耐压低的产品,确保PTC热敏电阻器在最大工作电压(Vmax)以下是安全的;
B、耐电流能力----超过规定的电流或开关次数可导致PTC热敏电阻器呈现不可恢复的高阻态而失效,循环通断试验不能全部淘汰早期失效的产品。
●在规定的使用条件下,PTC失效后呈现高电阻态。长期(一般大于1000小时)施加在PTC热敏电阻器上的电压导致其常温电阻升高的幅度极小,居里温度超过200℃的PTC发热元件相对要明显。除PTC发热元件外,PTC失效的主要原因是由于开关操作中陶瓷体中心产生应力开裂。如下图,在PTC热敏电阻器动作动过程中,PTC瓷片内温度、电阻率、电场、和功率密度的分布不均匀导致中心应力大而分层裂开。

PTC瓷片内温度、电阻率、电场、和功率密度沿片厚度方向的分布 |
|
过流保护用PTC热敏电阻
产品概述
过流保护用PTC热敏电阻是一种对异常温度及异常电流自动保护、自动恢复的保护元件,俗称"自复保险丝""万次保险丝"。它取代传统的保险丝,可广泛用于马达、变压器、开关电源、电子线路等的过流过热保护,过流保护用PTC热敏电阻通过其阻值突变限制整个线路中的消耗来减少残余电流值。传统的保险丝在线路熔断后无法自行恢复,而过流保护用PTC热敏电阻在故障撤除后即可恢复到预保护状态,当再次出现故障时又可以实现其过流过热保护功能。
选用过流保护用PTC热敏电阻作为过流过热保护元件,首先确认线路最大正常工作电流(就是过流保护用PTC热敏电阻的不动作电流)和过流保护用PTC热敏电阻安装位置(正常工作时)最高环境温度、其次是保护电流(就是过流保护用PTC热敏电阻的动作电流)、最大工作电压、额定零功率电阻,同时也应考虑元件的外形尺寸等因素。
如下图所示:使用环境温度,不动作电流及动作电流三者之间的关系。

应用原理
当电路处于正常状态时,通过过流保护用PTC热敏电阻的电流小于额定电流,过流保护用PTC热敏电阻处于常态,阻值很小,不会影响被保护电路的正常工作。当电路出现故障,电流大大超过额定电流时,过流保护用PTC热敏电阻陡然发热,呈高阻态,使电路处于相对"断开"状态,从而保护电路不受破坏。当故障排除后,过流保护用PTC热敏电阻亦自动回复至低阻态,电路恢复正常工作。

图2为电路正常工作时的伏-安特性曲线和负载曲线示意图,由A点到B点,施加在PTC热敏电阻上的电压逐步升高,流过PTC热敏电阻的电流也线性增加,表明PTC热敏电阻的电阻值基本不变,即保持在低电阻态;由B点到E点,电压逐步升高,PTC热敏电阻由于发热而电阻迅速增大,流过PTC热敏电阻的电流的也迅速降低,表明PTC热敏电阻进入保护状态。正常的负载曲线低于B点,PTC热敏电阻就不会进入保护状态。
通常而言有三种过流过热保护的类型:
1、电流过载(图3):RL1为正常工作时的负载曲线,当负载阻值减少,如变压器线路短路,负载曲线由RL1变为RL2,超过B点,
PTC热敏电阻器进入保护状态;

2、电压过载(图4):电源电压增加,如220V电源线突然升到380V,负载曲线由RL1变为RL2,超过B点,
PTC热敏电阻器进入保护状态;

3、温度过热(图5):当环境温度升高超过一定限度,PTC热敏电阻器伏-安特性曲线由A-B-E变成A-B1-F,负载曲线RL超过B1点,PTC热敏电阻器进入保护状态;

过流保护电路图

型号参数

过流保护PTC热敏电阻器选用指南
1.最大工作电压
PTC热敏电阻器串联在电路中,正常工作时仅有一小部分电压保持在PTC热敏电阻器上,当PTC热敏电阻器启动呈高阻态时,必须承受几乎全部的电源电压,因此选择PTC热敏电阻器时,要有足够高的最大工作电压,同时还要考虑到电源电压可能产生的波动。
2.不动作电流和动作电流
为得到可靠的开关功能,动作电流至少要超过不动作电流的两倍。
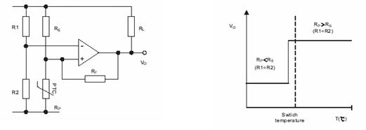
由于环境温度对不动作电流和动作电流的影响极大(见下图),因此要把最坏的情况考虑进去,对不动作电流来说,选应用在允许的最高环境温度时的值,对动作电流来说,选应用在较低环境温度下的值。

3.在最大工作电压时允许的最大电流
需要PTC热敏电阻器执行保护功能时,要检查电路中是否有产生超过允许的最大电流的条件,一般是指用户存在产生短路可能性的情况。规格书已经给出了最大电流值,超过这个值使用时,可导致PTC热敏电阻器破坏或早期失效。
4.开关温度(居里温度)
我们可提供居里温度80 ℃、100 ℃、120 ℃、140
℃的的过流保护元件,一方面,不动作电流取决于居里温度和PTC热敏电阻器芯片的直径,从降低成本方面考虑,应选用高居里温度和小尺寸元件;另一方面须考虑,这样选择的PTC热敏电阻器会有较高的表面温度,是否会在线路中导致不希望的副作用。一般情况下,居里温度要超过最高使用环境温度20
~ 40 ℃。
5.使用环境的影响
在接触化学试剂或在使用灌注料或填料时,须特别小心钛酸钡陶瓷被还原导致PTC热敏电阻器效应下降,以及由于灌注造成的导热条件变化,都可能导致PTC热敏电阻器局部过热而损坏。
附:电源变压器过流保护PTC热敏电阻的选用举例
已知一电源变压器初级电压220V,次级电压16V,次级电流1.5A,次级异常时的初级电流约300mA,10分钟之内应进入保护状态,变压器工作环境温度-10
~ 40 ℃,正常工作时温升15 ~ 20
℃,PTC热敏电阻器靠近变压器安装,请选定一PTC热敏电阻器用于初级保护。 1.确定最大工作电压 已知变压器工作电压220V,考虑电源波动的因素,最大工作电压应达到220V×(1+20%)=264V PTC热敏电阻器的最大工作电压选265V。 2.确定不动作电流 经计算和实际测量,变压器正常工作时初级电流125mA,考虑到PTC热敏电阻器的安装位置的环境温最高可达60
℃,可确定不动作电流在60 ℃时应为130~ 140mA。 3.确定动作电流 考虑到PTC热敏电阻器的安装位置的环境温度最低可达到-10
℃或25℃,可确定动作电流在-10 ℃或25℃时应为340~
350mA,动作时间约5分钟。 4.确定额定零功率电阻R25 PTC热敏电阻器串联在初级中,产生的电压降应尽量小,PTC热敏电阻器自身的发热功率也应尽量小,一般PTC热敏电阻器的压降应小于总电源的1%,R25经计算: 220V
× 1% ÷0.125A=17.6
Ω 5.确定最大电流 经实际测量,变压器次级短路时,初级电流可达到500mA,如果考虑到初级线圈发生部分短路时有更大的电流通过,PTC热敏电阻器的最大电流确定在1A以上。 6.
确定居里温度和外形尺寸 考虑到PTC热敏电阻器的安装位置的环境温最高可达60 ℃,选择居里温度时在此基础上增加40 ℃,居里温度为100
℃,但考虑到低成本,以及PTC热敏电阻器未安装在变压器线包内,其较高的表面温度不会对变压器产生不良作用,故居里温度可选择120
℃,这样PTC热敏电阻器的直径可减小一档,成本可以下降。 7.确定PTC热敏电阻器型号 根据以上要求,查阅我们公司的规格表, 即:
最大工作电压265V,额定零功率电阻值15Ω± 20%,不动作电流150 mA,动作电流300 mA,最大电流1.2A,居里温度120
℃,最大尺寸为ø11.0mm。
PTC的失效模式
衡量PTC热敏电阻器可靠性有两个主要指标:
A.耐电压能力----超过规定的电压可导致PTC热敏电阻器短路击穿,施加高电压可淘汰耐压低的产品,确保PTC热敏电阻器在最大工作电压(Vmax)以下是安全的; B、耐电流能力----超过规定的电流或开关次数可导致PTC热敏电阻器呈现不可恢复的高阻态而失效,循环通断试验不能全部淘汰早期失效的产品。
在规定的使用条件下,PTC失效后呈现高电阻态。长期(一般大于1000小时)施加在PTC热敏电阻器上的电压导致其常温电阻升高的幅度极小,居里温度超过200℃的PTC发热元件相对要明显。除PTC发热元件外,PTC失效的主要原因是由于开关操作中陶瓷体中心产生应力开裂。在PTC热敏电阻器动作动过程中,PTC瓷片内温度、电阻率、电场、和功率密度的分布不均匀导致中心应力大而分层裂开。
使用注意事项
1、焊接 在焊接时要注意,PTC热敏电阻器不能由于过分的加热而受到损害。必须遵守下列的最高的温度,最长的时间和最小的距离:
浸焊 烙铁焊 溶池温度 max. 260
℃ max. 360℃ 钎焊时间 max. 10s
max. 5 s 距PTC热敏电阻器最小的距离 min. 6mm
min.
6mm 在较恶劣的钎焊条件下将会引起电阻值的变化。
2、涂层和灌注 在PTC热敏电阻器上加涂层和灌注时,不允许在固化和以后的处理中由于不同的热膨胀而出现机械应力。请谨慎使用灌注材料或填料。在固化时不允许超过PTC热敏电阻器的上限温度。此外,要注意到,灌注材料必须是化学中性的。在PTC热敏电阻器中钛酸盐陶瓷的还原可能会导致电阻降低和电性能的丧失;由于灌注而引起热散热条件的变化可能会引起在PTC热敏电阻器上局部的过热而导致其被毁坏。
3、清洗 氟利昂,三氯乙烷或四氯乙烯等温和的清洗剂均适用于清洗,同样可以使用超声波清洗的方法,但是一些清洗剂可能会损害热敏电阻的性能,清洗前最好进行试验或到我公司咨询。
4、贮藏条件与期限 如果存贮得当,PTC热敏电阻器的存贮期没有什么期限限制。为了保持PTC热敏电阻器的可焊性,应在没有侵蚀性的气氛中进行贮藏,同时要注意空气湿度,温度以及容器材料。元件应尽可能的在原包装中进行贮藏。对未焊接的PTC热敏电阻器的金属覆层的触碰可能会导致可焊性能降低。暴露在过潮或过高温度下,一些规格产品性能可能会改变,比如锡铅的可焊性等,但是在正常的电器元件保存条件下可以长期保存。
5、注意事项 为避免PTC热敏电阻器发生失效/短路/烧毁等事故,使用(测试)PTC热敏电阻器时应特别注意如下事项: 不要在油中或水中或易燃易爆气体中使用(测试)PTC热敏电阻器; 不要在超出"最大工作电流"或"最大工作电压"条件下使用(测试)PTC热敏电阻器。
|
节能灯用PTC热敏电阻
1.前言
目前的荧光灯绝大多数为阴极预热式产品。人们为了提高荧光灯管的光效并延长其使用寿命,在配套电器方面作了大量深入的研究工作,包括镇流器线路拓扑的选择和阴极预热方式的选择等。以期电子器件与对应的荧光灯管相匹配,达到充分发挥荧光灯管的光效和使照明环境更舒适更节能的效果。本文参照荧光灯IEC标准和我国GB标准中关于阴极预热起动的要求,对常见的阴极预热方式进行了分析,认为采用智能热敏电阻是荧光灯阴极预热启动的最佳方案。
2.阴极预热的目的
阴极预热式荧光灯的电极是一个极为重要的零件。荧光灯使用时间的长短主要取决于电极的寿命。对交流电源来说,该电极既是阴极又是阳极。电极上涂有碳酸钡、碳酸锶和碳酸钙为主的电子发射材料。这些材料只有当阴极的工作温度在900℃~1000℃时才能充分发射电子。另一方面,阴极通过预热放出大量电子,使灯的启动电压降低,通常降低到阴极未预热启动电压的二分之一到三分之一。电压的降低减少了相关电子元器件所承受的电应力,从而降低了整灯的故障率,延长了使用寿命。为此,阴极预热纳入了IEC和我国GB标准,明确规定此类荧光灯在点亮前必须经过阴极预热,并对各种型号规格荧光灯的预热时间和预热电流参数提出了要求。

图1电子镇流器简化电路图
3.阴极预热启动技术的发展状况
以往,荧光灯多采用电感式工频镇流器。随着电子技术的发展,电子镇流器以其体积小、重量轻、功耗少、无频闪、无噪音、光效高等优点,逐步取代电感式镇流器已成为必然趋势。在电子镇流器发展过程中,阴极预热问题一直是电子镇流器技术研究的重点之一。
电子镇流器的启动电压是由限流电感L和启动电容C1组成的L-C1串联谐振电路在C1两端产生的谐振电压。简化电路如图1所示。L-C1的品质因数Q=1/ωC1R=ωL/R,式中R为L-C1回路的损耗电阻,ω为L-C1回路的工作角频率。在L-C1回路对高频振荡电路的输出电压V1谐振时,限流电感L或C1上的电压VR=QV1。合理设计限流电感L和电容C1的参数,可使C1上的谐振电压VR达到使灯管点亮的值。阴极不进行预热的电路,电源一接通灯即点亮,这对阴极损伤很厉害,会使灯管根部很快变黑,使灯管寿命变短。
为解决荧光灯阴极预热问题,人们利用了正温度系数热敏电阻(以下简称PTCR)。其温阻特性曲线如图2所示。曲线中的TB点是PTCR的开关温度(阻值增大到最小值两倍时的温度)。PTCR的体温高于TB点后,随着温度的升高,PTCR的电阻就会骤变到很高的值,利用PTCR的这一特性设计的预热启动电路如图3所示。当电路接通的瞬间,高频电源的输出电压V0加到灯管两端,见图4,此时,由于热敏电阻PTCR对谐振回路构成分流,使回路的Q值很低,灯管两端不能形成高压,也就不能点亮灯管。同时,高频电流通过电感L灯丝Rf和热敏电阻PTCR,对阴极进行预热,经过t1(GB规定大于0.4秒)的时间后,PTCR因通过电流,体温升高,电阻值迅速增大,减弱了对谐振回路的分流。当阻值增大到一定值时,谐振回路起振,谐振电压幅值V2增大到把灯管点亮。灯管点亮时(t2),灯管呈现负阻特性,即灯管电流增大,灯管两端电压V3降到额定的工作电压值,预热启动过程结束,灯管转入正常工作。

图2PTCR温阻曲线图

图3PTCR预热启动电路

图4PTCR预热启动过程图

图5PTCR的电压效应
问题在于灯管正常工作后,热敏电阻PTCR始终处于热动平衡状态,这是因为热敏电阻不能完全阻断对灯阴极的分流,热敏电阻体温的高低影响着通过电流的大小。通过电流的大小又影响到热敏电阻体温的变化。具体地讲,当PTCR呈现高阻状态时,电流减小,PTCR体温随之降低,阻值便减小,又导致流过PTCR的电流增大,如此循环使热敏电阻始终处于变化状态之中。这种状态有如下危害:
⑴PTCR在预热启动电路中始终有功耗,一般为总功率的4%。使电子镇流器或电子节能灯的流明系数降低。经测试,40W荧光灯电子镇流器PTCR的功耗大于1.6W,18W电子节能灯PTCR的功耗在0.8W左右。按每瓦功率发出光通量50流明计,40W和18W的电子镇流器因此而分别损失70和40流明。
⑵PTCR的功耗产生的热量使紧凑型荧光灯和电子镇流器壳内的温度升高,会造成其它电子元件特别是晶体管和电解电容器损坏,使故障率上升。
⑶荧光灯点亮后,灯丝回路因PTCR的存在,始终有电流通过灯丝,由此而形成发射电流,缩短了阴极的使用寿命。
⑷预热电路中的PTCR在灯管点亮后,仍处于80℃以上的高温环境下,易造成PTCR晶界电阻性能的蜕化,使温阻系数改变,预热时间变长。蜕化严重时启动瞬间产生的冲击电流会烧坏功率管。如果阴极长时间处在预热启动状态,最终将会损坏灯管和电子镇流器。
⑸PTCR最难满足耐高压这一指标。当PTCR并联于灯管两端时,要承受较大的开路电压(一般为1000V左右),这时PTCR的温阻曲线在高于开关温度以后,上升迟缓,如图5所示。另外,当高频电流经过PTCR时,也会使其温阻特性曲线在高于开关温度TB后上升迟缓,如图6所示。这些都会使PTCR对灯丝的预热性能变差。
另外,我们测试证明PTCR呈现有相当的电容量。在频率较高的线路中,使用PTCR与启动电容C1并联,会直接破坏镇流器的输出特性。特别是T5型荧光灯,一般要求电子镇流器的工作频率在50kHz以上,对其输出特性影响更严重。

图6PTCR的频率效应

图7氧化锌压敏电阻伏安特性
尽管采用PTCR对阴极进行预热的方式存在着上述缺点,但目前照明行业生产的电子镇流器,凡具备预热功能的,绝大多数仍着采用PTCR预热方式,在紧凑型电子节能灯中,几乎全部采用PTCR作为预热启动元件。虽然在阴极预热方式上存在许多其它的预热电路和器件,并有不少专利,但或者因其电路复杂、成本高,或者因其有机械触点可靠性差、寿命难以保证等原因,而未能推广采用。因此在PTCR预热启动的基础上,改进预热元件的性能,使其既能实现预热启动的要求,又能在灯管点亮后,自动关断预热电路,就成为众多照明器件厂家进行技术攻关的目标。
使用指南
1、线路参数不同,使用环境温度不同,延时时间也不同。在特殊环境使用的灯具,如用作冰柜照明等由于环境温度较低建议作环境模拟试验。出口不同地区的灯具,要考虑该地区冬天时的环境温度,如出口到北欧地区的灯具,选用PTCR时延迟时间不可太长。
2、电阻值范围的选择以需要的延迟时间确定,为确保延迟时间一致性,一般为±25%左右为宜。
3、若需延长延时时间,建议对PTCR:(1)选阻值小一些;(2)选体积大一些;(3)选Tc高一些。反之亦然。
4、大功率灯具冲击电流较大不宜选用小体积PTCR。
5、启动线路为单电容启动的灯具,PTCR耐压要求较高,最好选800VAC以上。
6、推荐选用PTCR规格(下表为我公司长期试验的结果,用于一般灯具线路,由于各厂家线路有异,选用PTCR时以延时1秒左右为佳):
节能灯、镇流器
功率(W) 选用PTC规格型号
外形尺寸(mm) 居里温度
常温阻值(Ω)
3--5
S系列
Φ3×3
50 2K-3K;3K-5K
5――7
L系列
Φ4×3
50 500-1K;1-2K
7――11
L系列
Φ4×3
75 800-1200;1200-2000
9――13 L系列
Φ4×3
75 300-500;500-800
11――15 A系列
Φ5×3
75 800-1200;1.2-2K
15――20
A系列
Φ5×3
75 100-300;300-500;500-800
20――30 HV系列
Φ6×3
75 100-300;300-500;500-800
25――35 HV系列
Φ6×5
75 100-200;200-300;300-500
30――40
B系列
Φ8×3
75 100-300;300-500;500-800
40――65 BHV系列
Φ8×5
75 100-200;200-300;300-500
4.电子镇流器、节能灯软启动用PTC热敏电阻器选用指南
基于增大延时时间可通过提高居里温度和体积、减小阻值等途径来实现,确定以下基本原则: 1.节能灯工作时灯内温度较高,
PTC热敏电阻器的居里温度不能太低,否则延时时间太短,起不到预热效果,居里温度在100
℃以上为宜; 2.启动线路为单电容时,PTC热敏电阻器耐电压要求较高,通常在800V以上; 3.电阻率高的PTC热敏电阻器在可靠性方面可得到巨大的提升,在满足启动特性的前提下应优先选用; 4.必须考虑在低温启动时的情况,在低温时,PTC热敏电阻器的热平衡电阻相应较低,可能造成灯管不启动; 5.PTC热敏电阻器的开关寿命最好大于100,000次; 6.预热时间不能小于0.4秒; 7.启动完毕后,PTC热敏电阻器的功耗应符合有关规定。
外形结构

应用原理 将PTC热敏电阻用在节能灯电子镇流器上,不必改动线路将产品直接跨接在灯管的谐振电容两端,可以改变电子镇流器、电子节能灯的硬启动为预热启动,灯丝的预热时间达0.4-2.0秒,可延长灯管寿命四倍以上。
应用PTC热敏电阻实现预热启动如下图:刚接通开关时,Rt处于常温态,其阻值远远低于C2阻值,电流通过C1,Rt形成回路预热灯丝。约0.4-2秒后,Rt焦耳热温度超过居里温度Tc跃入高阻态,其阻值远远高于C2阻抗,电流通过C1、C2形成回路导致L谐振,产生高压点亮灯管。
对某一特定的电子镇流器、电子节能灯而言,所选用的PTC阻值越大、体积越小、居里温度越低,其功耗就越小、预热时间亦越短;反之功耗就越大,预热时间亦越长。

电子节能灯预热软启动电路图
5.新型荧光灯阴极预热启动元件——智能型PTC热敏电阻
在对荧光灯阴极预热技术进行了充分研究的基础上,从理论上突破了对敏感材料应用方面的传统认识,巧妙地利用了敏感材料的固有特性和一般气体放电灯的负阻特性,我们研制成功了既能满足荧光灯灯丝预热要求,又能自动关断的智能元件。
其实施方案是:把具有适当阻值及开关温度TB的PTC延迟型热敏电阻同具有适当的压敏电压U1mA(在此电压下压敏电阻Rz的通流为1mA)和通流量的压敏电阻Rz进行串联复合,使成为智能电阻Ri,用以取代电子镇流器及电子节能灯中的普通热敏电阻PTCR。PTCR的温阻特性已示于图2,氧化锌压敏电阻的伏安特性,如图7所示。从图7可看出,氧化锌压敏电阻是对电压非常敏感的器件,其通流值随所施加的电压值的增大而急剧增大,把PTCR和压敏电阻Rz串联复合成智能电阻Ri,接在电子镇流器的灯丝预热回路中(如图3所示,去掉普通的PTCR,代之以Ri即可),其作用过程如下:当接通电源瞬间,电子镇流器的开路输出电压(一般为1000VP-P左右),使压敏电阻Rz导通。适当选择U1mA,使导通电流等于该灯管的灯丝预热电流)灯丝电流经Ri流过。适当地选择PTCR阻值、体积及开关温度TB,使在0.4s(1s达到此开关温度后,Ri中的PTCR阻值骤增至高阻状态。这样,一方面限制了压敏电阻的通流量,一方面使Ri=Rz+PTCR支路近于开路,这时由L和C1构成的串联谐振回路(见图3)起振,谐振电压U2(见图4)增大到把灯管点亮,灯点亮后呈负阻特性,灯管两端电压下降到灯管正常工作电压,此灯管工作电压一般远低于所选定的压敏电阻的压敏电压U1mA,所以,灯点亮后,Rz自行关断。Ri=Rz+PTCR处于“休闲状态”。
可见,该智能型PTC热敏电阻是利用PTC热敏电阻的延迟特性来完成灯丝预热时间和PTC热敏电阻的限流特性来保护压敏电阻Rz不至于“过荷”而烧坏;又利用压敏电阻Rz的压敏电压U1mA特性和荧光灯管的负阻特性满足预热电流并关断预热回路。这样Rz与PTCR的串联复合体-智能热敏电阻Ri,就能完成荧光灯灯丝预热及"关断”功能。使用智能热敏电阻Ri,不需要改变原电子镇流器的电路参数,只需用相应规格的智能热敏电阻Rpi替换PTCR即可。使用中,接通电源,智能热敏电阻就通过电流对灯丝进行预热,在灯管点亮后,智能热敏电阻近于开路状态,关断了预热回路,自身功耗近于零,相当于一个无触点的自动开关。
在电子镇流器或电子节能灯上使用智能热敏电阻有如下特点和优越性:
(1)完全可以按各种规格的荧光灯预热电流的要求,在0.4s~2s的时间里,使灯丝达到预热要求。如菲利浦照明电子(上海)公司对灯丝的预热效果,是用灯丝的热态与冷态电阻之比描述的。他们测试了智能热敏电阻的预热效果,热态电阻与冷态电阻与之比在4~5之间,完全符合其预热要求。又如上海浦东某独资照明公司在26W电子节能灯上使用智能热敏电阻,各项参数均符合标准要求。
(2)智能热敏电阻在荧光灯管点亮后,功耗几乎为零,与PTCR相比,相应提高光通量(40~80)流明。同时可使电子镇流器或电子节能灯壳体内温度降低,在18W电子节能灯壳内温度降低(3~5)℃,从而降低了晶体管及电解电容器的热损坏率,提高了整灯的可靠性。
(3)智能热敏电阻在灯管点亮后,关断了预热回路的电流,这不仅防止了自身性能的蜕化,也减少了灯丝的热发射,延长了灯管的使用寿命,如威海北洋集团灯管厂在18W电子节能灯上使用智能热敏电阻,通断10万次之后,解剖观察阴极,大部分电子粉颜色为白色,阴极损耗正常,北洋照明电器公司进行实验后认为:在相同条件下,智能热敏电阻与PTCR相比,灯管发黑的程度要轻得多,只有PTCR的一半左右,他们的结论是:采用智能热敏电阻预热启动,可延长灯管寿命。
(4)智能热敏电阻由于其结构上的原因,能充分适应电子镇流器和电子节能灯产生的高频高压的作用条件。经过10000次的模拟开关试验后,智能热敏电阻的预热启动特性基本不变。对于灯管老化、灯阴极失去激活、不易启动的情况,电子镇流器输出呈开路状态,其开路电压一般在10000V(GB标准要求小于1500V),此时,智能热敏电阻仍能承受5s(标准要求镇流器元件能耐异常状态的持续时间为5s)的高频高压,经过200次的异常状态试验,预热启动特性变化不显著。(一般电子镇流器均有异常状态保护电路,当灯管老化、灯不易启动、输出端出现高压、大电流时,保护电路一般会在2s内动作,因此,智能热敏电阻所承受的高频高压时间一般只有2s左右,不会到5s,其安全裕度是足够充分的。
(5)智能热敏电阻自身呈现的电容值很小,对电子镇流器的输出特性没有影响。
总之,节能灯用智能型PTC热敏电阻以其独有的自动通断性能,克服了PTC在荧光灯阴极预热问题上存在的缺点,而且性能价格比也比较优越,使用安全可靠,是电子镇流器和电子节能灯比较理想的预热元件。
|